无氨逃逸脱硝及大幅度提产节能降耗技改工程

设计理念:
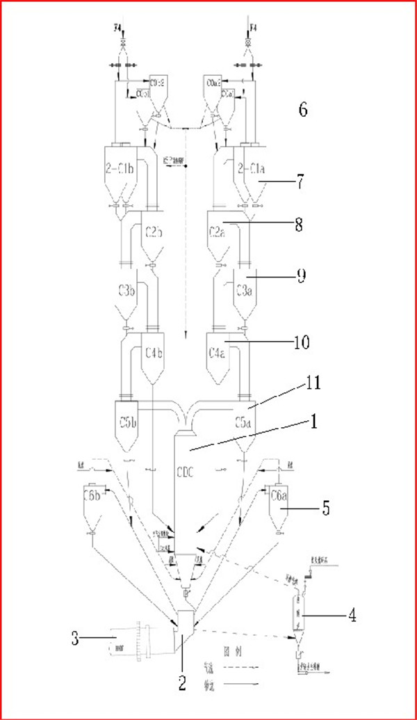
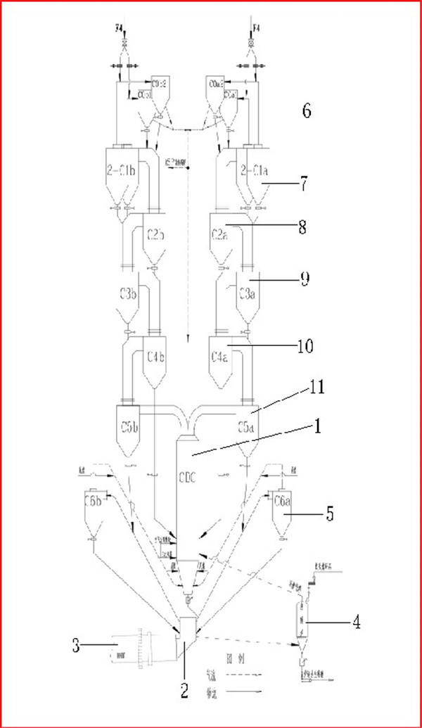
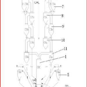
一、C6旋风筒(入窑热生料加热装置)熟料提产脱除窑内NOx
(专利号:202021599830.8 202010775840.0)
二、生物质气化替代燃料脱除分解炉NOx
(专利号:202021599830.8 202010775840.0)

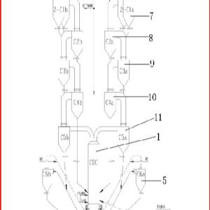
C6旋风筒(入窑热生料加热装置)熟料提产脱除窑内NOx
物料:→分解炉→五级旋风筒→烟室上升烟道→六级旋风筒→烟室
气流:→烟室→六级旋风筒→分解炉→五级旋风筒
分解率提升 CaO活性提升

设计原则:
一、增产50%以上;
二、标煤耗同比降低5kg/t.c1;
三、电耗同比降低10%以上;
四、环保考核200mg/Nm3,氨水停止使用。
设计原理:
利用窑外分解设计理念,充分发挥回转窑的能力。

分解炉扩容改造

预热器系统改造
1、预热器降阻技改
例:C1-C5各级旋风筒进出口
系统风机进出口
余热锅炉进出口等
2、C1-C5锁风阀及撒料盒更换



新增C6 旋风筒技改
设计新增六级旋风筒,把全部碳酸钙分解及固相反应所需要的物料加热移除在窑外进行
新增六级的作用主要是为了提高系统的预热能力,提供一个有利于燃料快速燃烧、高温、低CO2环境,其不仅仅具有碳酸钙快速分解的作用,还具有物料加热预烧功能。
物料通过C6旋风筒再次加热进入回转窑后很快进入升温状态,有实验证明固相反应速率将会加数倍(C2S为30倍,C3A为82倍C4AF为109倍)。

新增C0旋风筒技改
1、预热器出口物料温度高与气体温度
2、逆流换热,物料和烟气均是向下运动
3、不存在气流在筒内方向改变,压力损失小

烟室改造
1.烟室横向、纵向扩大
2.窑尾密封处理
3.窑尾扬料勺、喂料舌头调整
4.五级下料管下料角度调整

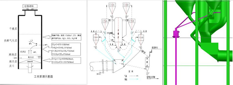
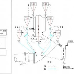
脱硝系统——热解气化炉系统
1)、整套系统改造后还原区更大,NO还原反应时间更长
2)、新增热解炉系统产生的气体还原三次风管处煤粉再燃烧产生的燃料型NOx

业绩展示



| 上一条:窑尾贫氧燃烧器 | 下一条:热解炉脱硝装置 |





















